F4053.BN22.080.Z04.04R
Image may not correspond to reality
  • F4053.BN22.080.Z04.04R
  • F4053.BN22.080.Z04.04R

F4053.BN22.080.Z04.04R

Slotting cutters for ‌slot milling
F4053.BN22.080.Z04.04R
Walter AG
€866.02

€866.02 tax incl.

within 1 week
Quantity
in stock at the supplier

Description

  • Cross-toothed, cuts on three sides
  • 2 + 2 cutting edges per indexable insert, tangential arrangement

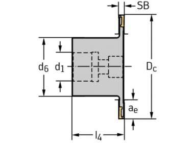
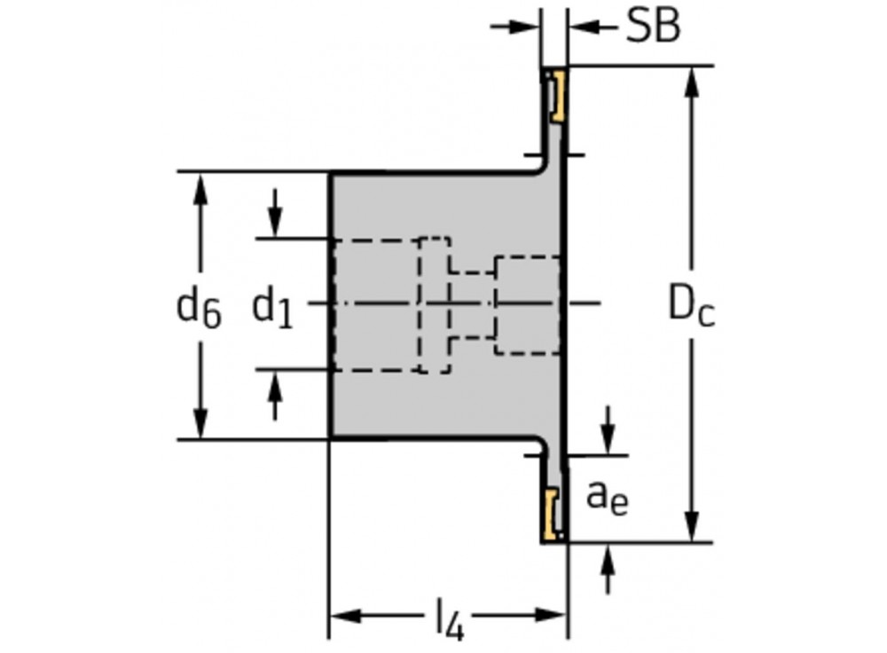
Slotting cutters for ‌slot milling F4053 • Parallel bore DIN 138 transverse keyway • metric • Dc=80mm • SB=4mm

Product Details

Main application
ISO K
ISO M
ISO P
ISO S
Hub diameter [d 6]
45 mm
Connection diameter [d 1]
22 mm
Cutting edge diameter [D c]
80 mm
Max. depth of cut [SB]
4 mm
Maximum depth of cut [a e]
16 mm
Functional length [l 4]
40 mm
Number of indexable inserts [No. of indexable inserts]
8
Weight of item
0,5 kg
Number of teeth [Z]
4
Weight
0.538 kg