MC326-16.0W4BCJ-WK40TF
Obrázok nemusí zodpovedať skutočnosti
  • MC326-16.0W4BCJ-WK40TF
  • MC326-16.0W4BCJ-WK40TF

MC326-16.0W4BCJ-WK40TF

Rohová/drážkovacia fréza zo spekaného karbidu

Supreme

MC326-16.0W4BCJ-WK40TF
4042446262648
Walter AG
214,50 €

214,50 € s DPH

do 1 týždňa
Množstvo
na sklade u dodávateľa

Popis

  • Dlouhé provedení
  • Typ N 50

Rohová/drážkovací fréza ze slinutého karbidu MC326 • Supreme • Stopka DIN 6535 HB • metrický • úhel šroubovice drážky 50° • Dlouhé provedení • Typ N 50 • Frézování a frézování po šroub • WK40TF • Dc=16mm • Z=4

Detaily produktu

Hlavná aplikácia
ISO P
Dodatočná aplikácia
ISO K
ISO M
ISO S
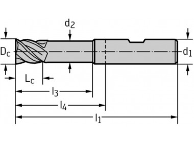
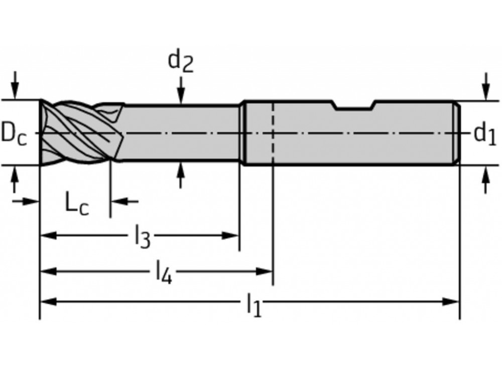
Rezný priemer [D c]
16 mm
Priemer krčku [d 2]
15,2 mm
Dĺžka britu [L c]
16 mm
Priemer stopky [d 1]
16 mm
Celková dĺžka [l 1]
92 mm
Použiteľná dĺžka [l 3]
42 mm
Funkčná dĺžka [l 4]
44 mm
Počet zubov [Z]
4
Hmotnosť
0.244 kg